乐发II500

乐发II500

HR5熔断器式隔离开关

一,适用范围

HR5系列熔断器式隔离开关(以下简称开关),适用于交流50Hz、额定电压380V、约定发热电流至630A的具有高短路电流的配电电路和电动机电路中,用作手动不频繁操作的电源开关、隔离开关和应急开关,并作为电路短路保护之用,但一般不作为直接开闭单台电动机之用。
开关结构简单、操作方便,符合GB/T14048.3、IEC60947-3标准,是同类产品的较好选择。


二,型号及含义

乐发II500  

三,主要技术参数

乐发II500  

四,结构特征

开关主要由树脂底座与上盖两大部份组成,三对夹型触头与灭弧室直接装在底座上,熔断体装在上盖中直接作为动触头刀片用,上盖可沿铰销旋转成扇形打开使熔断体从插座中完全拔出,上盖亦可方便地从底座上撤出,便于开关的安装与安全拆换熔断体。
开关的灭弧室由耐弧塑料压制而成,结构简单、拆装方便、安全可靠。灭弧室中装有多片金属灭弧栅,增强了开关的灭弧能力,消除了飞弧的危害,提高了触头的使用寿命。
乐发II500 开关底座的左右两侧可装辅助触头,用来指示开关的通断状态。开关上盖中可装熔断指示,当熔断体熔断时指示灯亮,可作缺相检测保护之用。

 

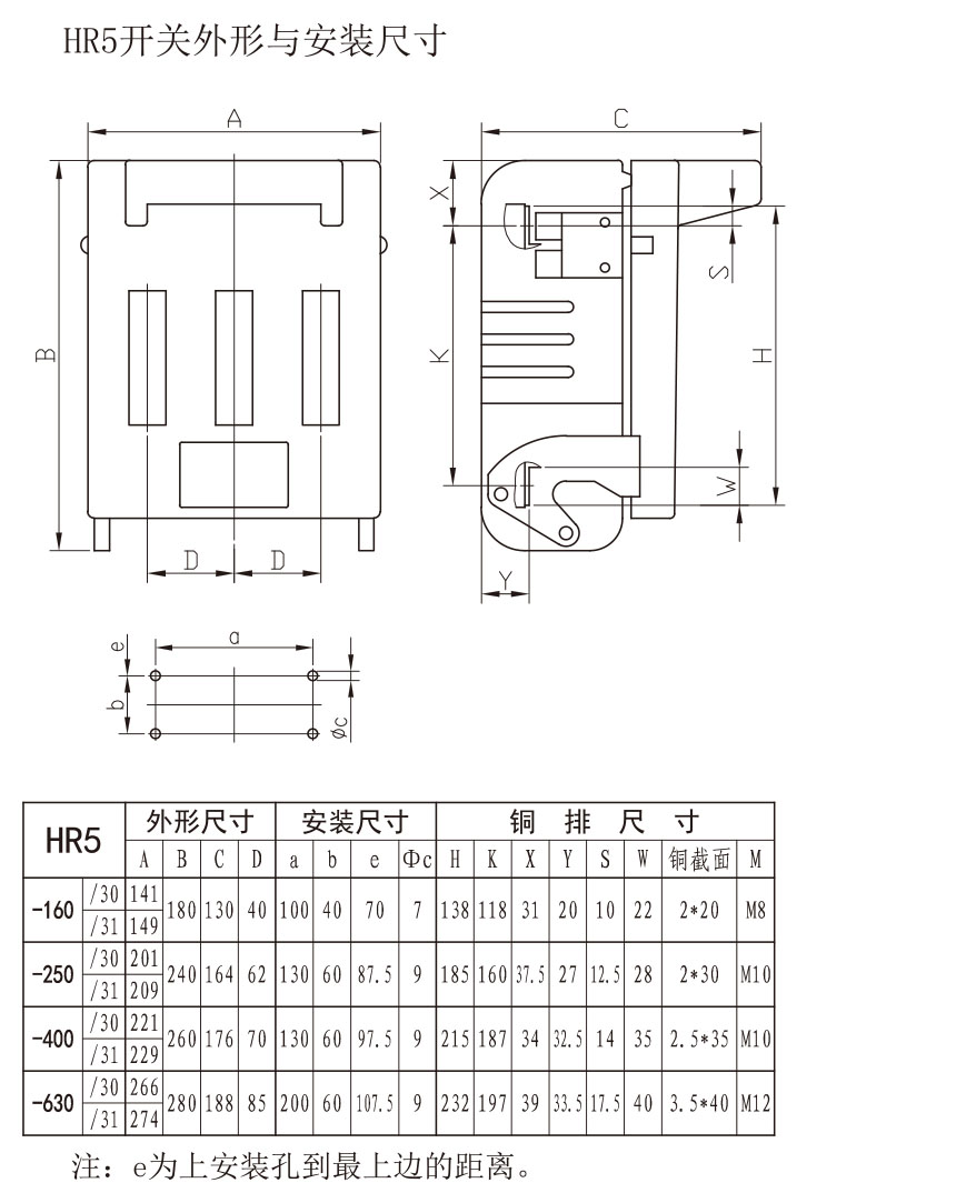
五,外形及安装尺寸

商务
询价

企业商务询价
微信二维码

项目
乐发II500 咨询

企业项目咨询
微信二维码

电话
乐发II500 咨询

0577-62333333
客服热线乐发II500